Blauberg CD-1

CO2 sensors
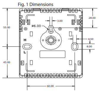
  • Casing material: Plastic
Unit of measurement CD-1
Minimum supply voltage V 24
Maximum supply voltage V 24
Power supply frequency Hz 50/60
Weight kg 0.12
Ambient air temperature max °С 50
Article - 8014406
Datasheet
CD-1, CD-2 - data sheet
214 Kb
Manual
CD-2 - user manual
286 Kb
Manual
CD-1 - user manual
252 Kb
Image
CD-1 - image 1
325 Kb